PC/工作站/低端服务器 ATX电源供电详解
PC/工作站/低端服务器 ATX电源供电详解
1,主板供电
主板24口主供电接口

老一点的主板使用20PIN接口,定义是在24口上少了11,12,23,24,4个pin,其他定义一样
2,CPU供电
CPU 4PIN

CPU 4+4PIN
在原4PIN基础上,增加了4PIN,并兼容原4PIN口
如电源是8PIN口,主板是4PIN口,可以插入并使用,剩余4PIN悬空
如主板是8PIN口,电源只有4PIN,可以插入并使用,支持的CPU功率会下降

3,硬盘供电
IDE硬盘电源

SATA硬盘电源

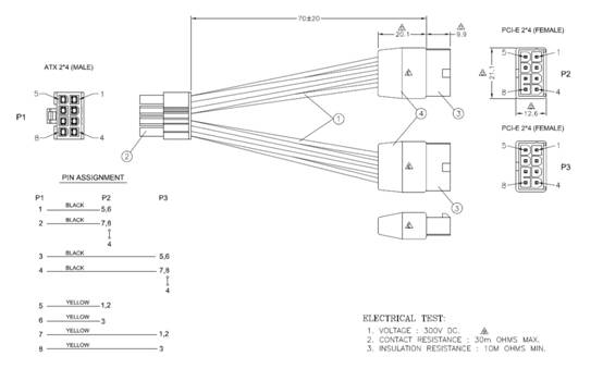
4,PCI-E(显卡)供电详解
显卡供电分为几种
1, 无需外接供电
此显卡只是用PCI-E插槽供电,最多能提供75W
2,6PIN供电口
6PIN标准能提供75W功率,支持最高150W显卡

3,8PIN口供电
在原6PIN口的基础上增加1个GND和SENSOR口,SENSOR一般直接并入GND
能提供最多150W功率,支持最高225W显卡

4,8PIN+6PIN供电
同时使用8PIN+6PIN供电,能支持最多300W显卡
5,8PIN+8PIN供电
同时使用2个8PIN供电,能支持最多375W显卡
6,CPU 8PIN供电
在一些高端显卡上,单独使用了一个CPU 8PIN口供电
此8PIN和标准的显卡8PIN不同,也无法插入显卡8PIN插头
此接口为CPU 8PIN 接口,使用CPU 8PIN 定义

此接口一般能提供250W功率,加上PCI-E自身的75W功率,总共可以提供325W功率
使用此接口的显卡一般会提供一个转接线,用于将2个8PIN的显卡供电口转换成1个8PIN CPU 供电口,转接线外形和定义如下:
